EngineersGarage

  • Engineers Garage Main Site
  • Visit our active EE Forums
    • EDABoard.com
    • Electro-Tech-Online
  • Projects & Tutorials
    • Circuits
    • Electronic Projects
    • Tutorials
    • Components
  • Digi-Key Store
    • Cables, Wires
    • Connectors, Interconnect
    • Discrete
    • Electromechanical
    • Embedded Computers
    • Enclosures, Hardware, Office
    • Integrated Circuits (ICs)
    • Isolators
    • LED/Optoelectronics
    • Passive
    • Power, Circuit Protection
    • Programmers
    • RF, Wireless
    • Semiconductors
    • Sensors, Transducers
    • Test Products
    • Tools
  • Advertise
You are here: Home / Replies / Hi anonymous, its simple ,if

Hi anonymous, its simple ,if

|

Microcontroller › 8051 › interfacing ADC0808 › Hi anonymous, its simple ,if

June 29, 2013 at 3:55 pm #10064
santhosh kumar
Participant

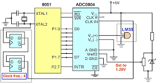
Hi anonymous,

 

its simple ,if you have two D flip flop. the circuit is

 

 

          https://encrypted-tbn3.gstatic.com/images?q=tbn:ANd9GcSKWA3kbxMfbgnIMD6d0W1t1nT8Nr0lN4qiVFsz621q1EDZnrcjhg in this you don’t bother adout temperature side.

RSS Recent Posts

  • KiCad custom symbol definition correct approach November 12, 2025
  • Anyone In The US Ordered From AliExpress Recently? November 12, 2025
  • My Advanced Realistic Humanoid Robots Project November 12, 2025
  • restarting this Christmas project November 12, 2025
  • WTB: "The Theory Of Servicing AM, FM, And FM Receivers" by Clarence R. Green and Robert M. Bourque November 11, 2025

Stay Up To Date

Newsletter Signup
EngineersGarage

Copyright © 2025 WTWH Media LLC. All Rights Reserved. The material on this site may not be reproduced, distributed, transmitted, cached or otherwise used, except with the prior written permission of WTWH Media
Privacy Policy | Advertising | About Us

Search Engineers Garage

  • Engineers Garage Main Site
  • Visit our active EE Forums
    • EDABoard.com
    • Electro-Tech-Online
  • Projects & Tutorials
    • Circuits
    • Electronic Projects
    • Tutorials
    • Components
  • Digi-Key Store
    • Cables, Wires
    • Connectors, Interconnect
    • Discrete
    • Electromechanical
    • Embedded Computers
    • Enclosures, Hardware, Office
    • Integrated Circuits (ICs)
    • Isolators
    • LED/Optoelectronics
    • Passive
    • Power, Circuit Protection
    • Programmers
    • RF, Wireless
    • Semiconductors
    • Sensors, Transducers
    • Test Products
    • Tools
  • Advertise